Development and manufacturing of low-voltage
and high-voltage electric equipment

10 Chelyabinskaya Str., Ozersk, Chelyabinsk region, 456783, Russia
Phone: (35130) 4-36-40; fax: (35130) 4-87-15; e-mail: enerprom@aopoes.ru
Sales department. Phone: (35130) 4-82-45, 4-17-79; fax: (35130) 4-46-83; e-mail: marketing@aopoes.ru

Карта сайта Русский язык

Complete switchgears of K-01ES series

k-01es
Complete switchgears of K-01ES series with middle arrangement of the withdrawable truck (advanced analogue of KU10S, D-12P) are intended for reception and distribution of electric energy of three-phase alternating current of industrial frequency of 50 and 60 Hz and voltage 6 and 10 kV.

The complete switchgears of K-01ES series are applied as switchgears of 6-10 kV, and also as switchgears of transformer substations for power grids of industry, agriculture, power plants and railway transportation electrification.

The device meets the requirements of Technical Conditions 3414-045-32574607-2006.


The example of symbolic notation of the complete switchgear with the number of the main circuit diagram 11, with overvoltage suppressors, with vacuum circuit-breaker BB/TEL-10-20/1000 with electromagnetic drive, with arrangement of phases of buses at front elevation АВС, rated current 630 A, thermal current 20 kА, climatic modification UHL, and category of installation 3.1:

K-01ES-11А 1-630/20 UHL3.1

The example of symbolic notation of the complete switchgear with the number of the main circuit diagram 01, with overvoltage suppressors, with vacuum circuit-breaker with VD4 M 122500 with a spring drive, with arrangement of phases of buses at front elevation АВС, rated current 2500 A, thermal current 31,5 kА, climatic modification UHL, category of installation 3.1:

K-01ES-01А 2-2500/31,5 UHL3.1

Operation conditions

The complete switchgears of K-01ES series are intended for indoor operation (climatic modification UHL3.1 in accordance with GOST 15150-69) under the following conditions:

  • altitude above sea level 1000 m,
  • ambient temperature from minus 10 up to plus 40°С,
  • type of atmosphere - II in accordance with GOST 15150-69 (corresponds to industrial regions atmosphere).

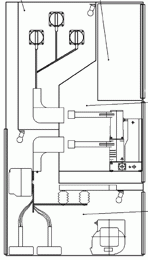
Design and action

The complete switchgear panels of K-01ES series of all modification types represent a metal frame welded of the bent sections. Apparatus and devices according to the main and auxiliary circuit diagrams are installed inside.

K-01ES panel is divided into the following compartments:

  • collecting buses compartment;
  • withdrawable truck compartment;
  • input (output) compartment;
  • auxiliary circuits compartment (the relay cabinet);

The complete switchgears are delivered as separate metal cabinets with elements for joining them, at the request of the customer switchgears are delivered by transport blocks of up to three cases in the block with the connections of the main and auxiliary circuits mounted within the block.

The complete switchgears of K-01ES series are designed for front-side access.

For operation safety in the complete switchgears K-01ES there are:

  • metal partitions between the compartments for failure localization within one compartment;
  • application of high-speed arc protection systems of PD-02 or OVOD - M type together with overpressure unloading valves.

Circuits of secondary switching of the complete switchgear panel are placed in the relay cabinet. The low-voltage equipment of auxiliary circuits is mounted inside the relay cabinet, or on the rear wall, or on the rotary panel. Secondary circuits diagrams are realized through a range of typical schemes using electromechanical relays, and also with the use of microprocessor relay protection devices of various manufacturers (of "Temp", "SEPAM", BMRZ, "Sirius" series and others). 

Diagrams are realized with direct, rectified and alternating operative current.

The table of the complete switchgear main circuits of K-01ES series corresponds to the table of the complete switchgear main circuits of K-01ES series.


Have you got any questions? Call or come to us. Highly qualified
skilled consultants will help you to find optimal
decision for your business!
10 Chelyabinskaya Str., Ozersk, Chelyabinsk region, 456783, Russia
Phone: (35130) 4-36-40; fax: (35130) 4-87-15,
e-mail: enerprom@aopoes.ru, site: www.energoprom.biz, www.enprom.ru.